Проект бани в Подмосковье
Архитектурные решения | Индивидуальное проектирование
| Местоположение | Железнодорожный |
| Проектирование | 2007 г. |
| Заказчик | Частное лицо |
| Стиль дома | Классический |
| Общая площадь | 52,1 кв.м |
| Отделка фасадов | Цоколь - искусственный камень. Стены - облицовочный кирпич Ступени, площадка - плитка керамическая. Кровельный материал - металлочерепица |
Объект
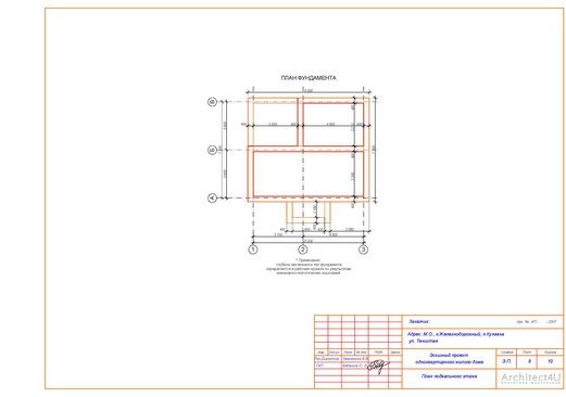
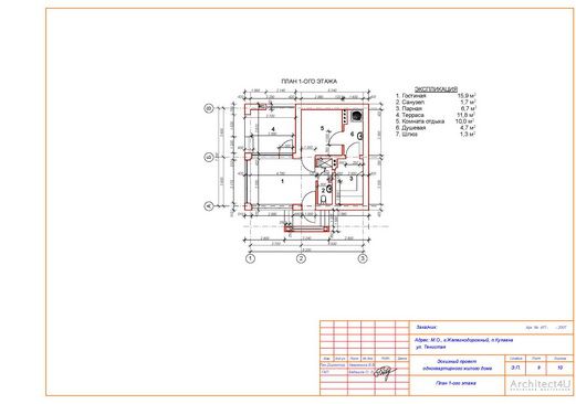
Помимо проекта основного дома, общей площадью 345,0 кв.м, с которым вы можете ознакомиться здесь, необходимо было разработать проектные решения небольшой одноэтажной бани. Проектом предусмотрены следующие помещения: гостиная, санузел, парная, терраса, комната отдыха, душевая, шлюз. Общая площадь бани 52,1 кв.м. Ниже представлен эскизный проект первого варианта.
План бани
Главный и боковой фасады
Фотография со строительной площадки
Индивидуальное проектирование
Состав эскизного проекта бани
.jpg)
.jpg)
.jpg)
