Пример проекта входной группы
Отдельный вход в нежилое помещение | Конструктивные решения
На данной странице вы можете ознакомиться с составом конструктивного проекта входной группы.
Ведомость рабочих чертежей
Общие указания
Спецификация на все элементы
Опалубочный план фундамента
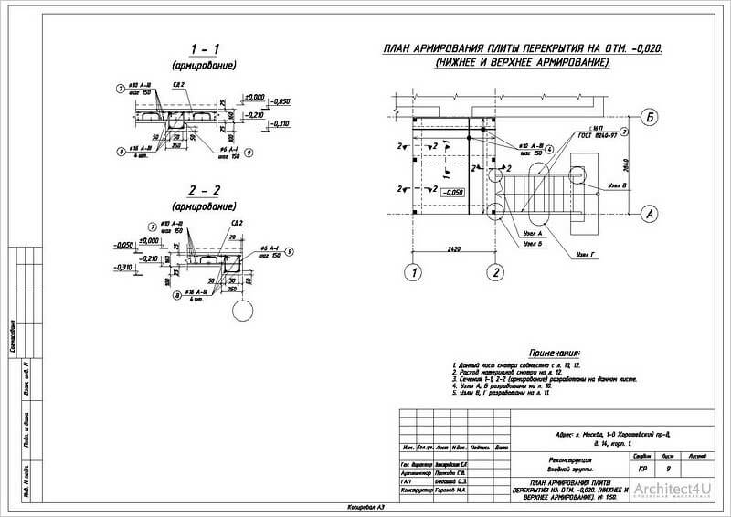
План армирования
Конструктивное решение колонны
Опалубочный план перекрытия
Разрез по лестнице
План армирования
Узлы каркаса входной группы
Узлы каркаса входной группы
Ведомость и спецификации
Узел гидроизоляции фундамента крыльца
Колонна входной группы
План несущего каркаса для кровли
план несущего каркаса для кровли
Спецификация сварочных единиц
Посмотреть проект архитектурных решений входной группы можно здесь
Дополнительно