Конструктивный проект дома - раздел КР
Разработка конструктивного проекта дома - ключевой этап перед началом строительства. Именно на стадии КР определяются несущая схема здания, типы и сечения конструкций, узлы и решения, от которых напрямую зависят надежность, стоимость и беспроблемная реализация проекта. Ниже представлен полный рабочий проект конструктивных решений загородного жилого дома с примерами его реализации на строительной площадке.
Если конструктив продуман детально, на стройке не возникает вопросов - ни у заказчика, ни у подрядчика. Все узлы, сечения и объемы материалов понятны заранее. Это экономит время, деньги и нервы.
Максим Горохов - главный конструктор
Для чего нужен конструктивный проект
Конструктивный проект нужен, чтобы быть уверенным, что дом будет прочным и долговечным. Он служит точной инструкцией для строителей и контрольным ориентиром для заказчика. В проекте учтены фундамент, перекрытия, балки, колонны, лестницы и кровля - всё заранее просчитано и детализированно, чтобы на стройке не возникало сюрпризов.
Из журнала авторского надзора
Исходные данные для проектирования КР
- техническое задание на проектирование
- архитектурный проект дома (рабочий проект), или проработанный эскизный
- данные отчета инженерно-геологических изысканий (для определения типа, глубины заложения фундамента, разработки проекта - КР0)
Состав проекта конструктивных решений
Ниже представлен полный перечень чертежей и текстовых материалов, которые входят в детальный рабочий проект конструктивных решений одноквартирного жилого дома. Точный состав проекта обсуждается с заказчиком и фиксируется в техническом задании.
Проект традиционно делится на три раздела:
- КР0 - решения всех несущих элементов до отметки чистого пола первого этажа, включая фундамент и нижние конструкции.
- КР1 - конструктивные элементы дома от отметки чистого пола до чердачного перекрытия: стены, перекрытия, террасы, лестницы, балконы и другие надземные элементы.
- КР2 - детальная проработка стропильной системы крыши, включая деревянные и/или несущие элементы из металла или железобетона в зависимости от архитектуры и рассчитанных нагрузок.
КР0 - фундамент дома
Содержание проекта - список чертежей КР0
- титульный лист (обложка)
- содержание (ведомость чертежей проекта)
- общие данные по проекту
- общая спецификация на все элементы
- план разбивки осей
- разрезы
- схема расположения перекрытий
- опалубочный план фундамента (привязки)
- опалубочный план фундамента (сечения)
- сечения по опалубке
- схема выпусков из подошвы фундамента
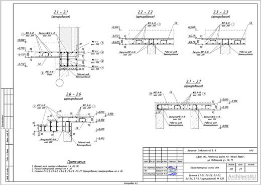
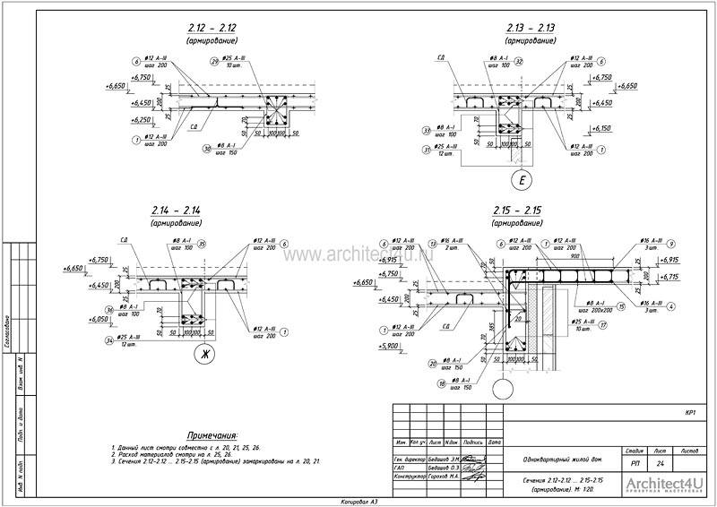
- сечения (армирование)
- ведомость стержней
- спецификация сборочных единиц
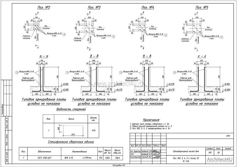
- план выпусков для колонн фундамента
- конструктивные решения колонн
- опалубочный план плиты перекрытия на отметке -0,270 (привязки)
- опалубочный план плиты перекрытия на отметке -0,270 (сечения)
- план армирования плиты перекрытия на отметке -0,270 (верхнее и нижнее)
- сечения (узел гидроизоляции фундамента)
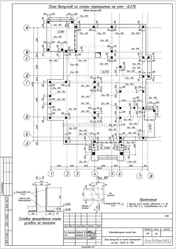
- план выпусков из плиты перекрытия на отметке -0,270
- детали, узлы, сечения
КР1 - конструкции надземной части дома
Содержание проекта - список чертежей КР1
- титульный лист (обложка)
- содержание (ведомость чертежей проекта)
- общие данные по проекту
- общая спецификация на все элементы
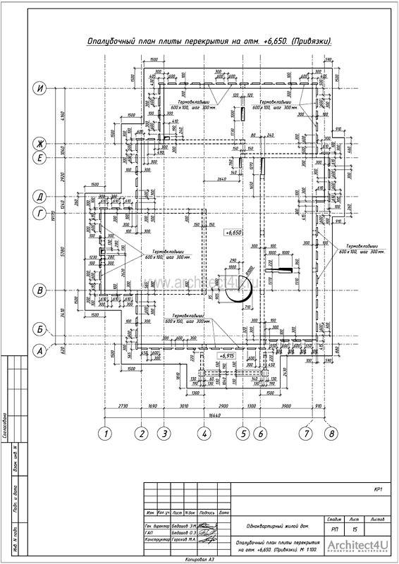
- опалубочный план плиты перекрытия на отметке +3,400 (привязки)
- опалубочный план плиты перекрытия на отметке +3,400 (сечения)
- сечения по опалубке
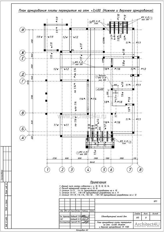
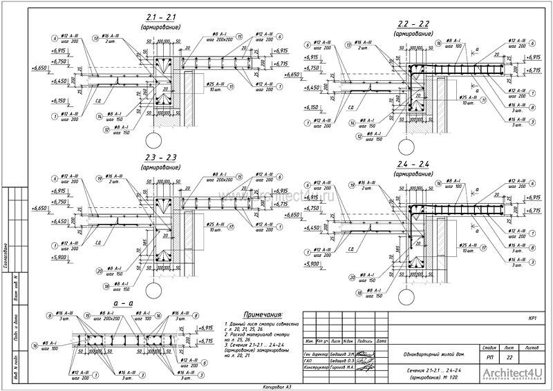
- план армирования плиты перекрытия на отметке +3,400 (верхнее и нижнее)
- ведомость стержней
- спецификации сборочных единиц
- опалубочный план плиты перекрытия на отметке +6,650 (привязки)
- опалубочный план плиты перекрытия на отметке +6,650 (сечения)
- сечения по опалубке
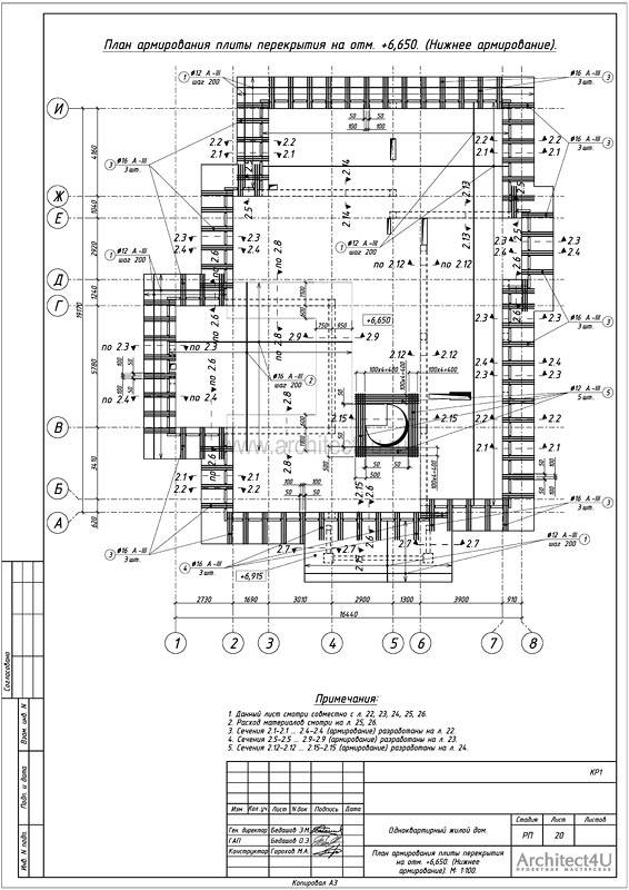
- план армирования плиты перекрытия на отметке +6,650 (верхнее и нижнее)
- схема колонн первого этажа
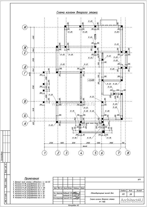
- схема колонн второго этажа
- детали, узлы, сечения по всем колоннам ж/б каркаса
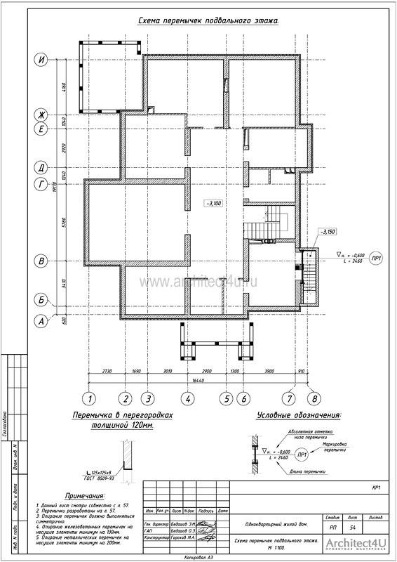
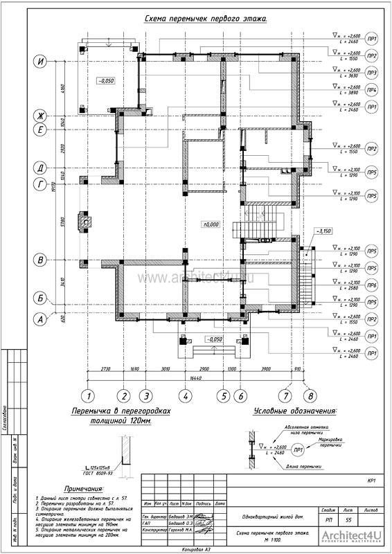
- схема перемычек первого этажа
- схема перемычек второго этажа
- таблица типов перемычек
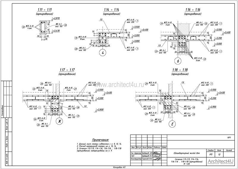
- опалубочный план лестницы с первого этажа на второй (армирование)
- сечения, спецификации, ведомости по лестнице (1)
- опалубочный план лестницы со второго этажа на третий(армирование)
- сечения, спецификации, ведомости по лестнице (2)
- спецификации, узлы, детали
КР2 - конструкции кровли
Содержание проекта - список чертежей КР2
- титульный лист (обложка)
- содержание (ведомость чертежей проекта)
- общие данные по проекту
- схемы несущих элементов кровли первого этажа в осях
- монтажная схема стропил кровли первого этажа в осях
- схема металлических несущих элементов кровли второго этажа
- схема деревянных несущих элементов кровли второго этажа (привязки)
- схема деревянных несущих элементов кровли второго этажа (маркировка элементов)
- монтажная схема стропил кровли второго этажа
- разрезы (продольные, поперечные)
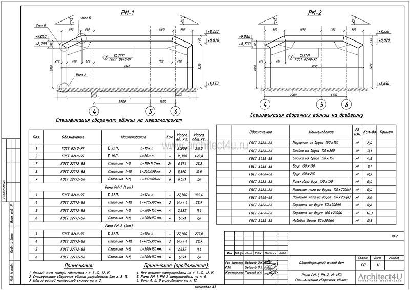
- рамы (спецификация сборочных единиц)
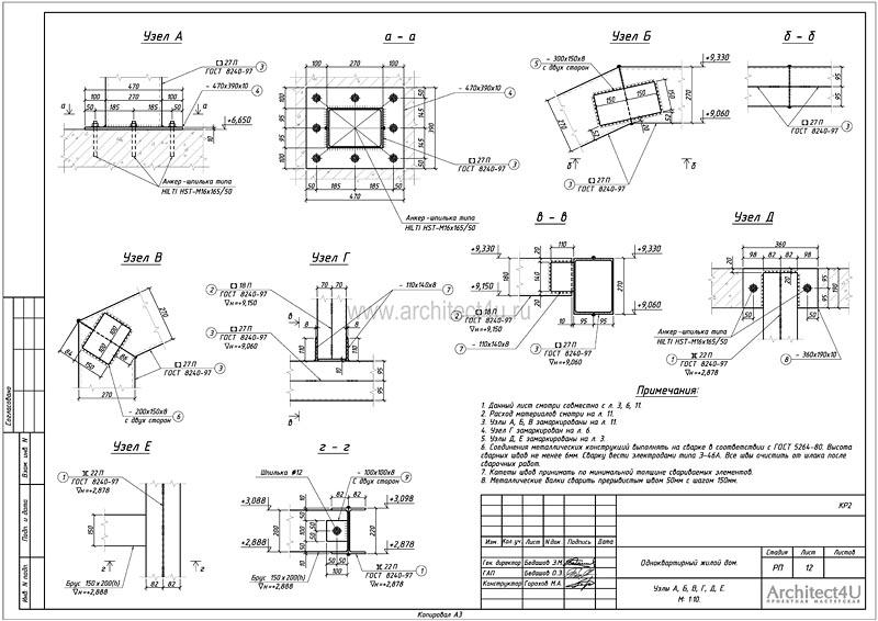
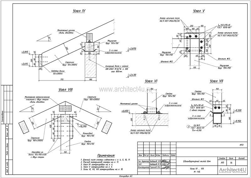
- узлы, детали
Пример классического проекта КР
Полный проект КР загородного дома демонстрирует уровень проработки чертежей. Фундаменты - ленточные, монолитные железобетонные с подошвой. Несущая система, перекрытия и лестницы - монолитный железобетон. Наружные стены состоят из газобетона D400 с вентилируемым зазором и полнотелого кирпича, который является основой для отделки плиткой из белого известняка.
КР0 - Фундамент
Фундаменты и плита перекрытия ну нулевой отметке
Ленточные монолитные фундаменты с подошвой. Все узлы и сечения рассчитаны для равномерной передачи нагрузок на грунт. В чертежах показаны опалубочные планы, армирование, разрезы, узлы и ведомости материалов.
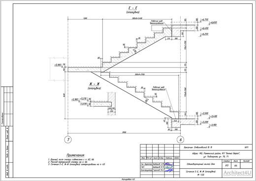
КР1 - Надземная часть
Каркас, перекрытия, лестницы и дополнительные элементы
Несущие конструкции дома выполнены из монолитного железобетона. Перекрытия и лестницы также железобетонные. Включены террасы, балконы и другие надземные элементы. Чертежи содержат планы, сечения, узлы, ведомости материалов и точные размеры для монтажа.
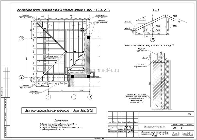
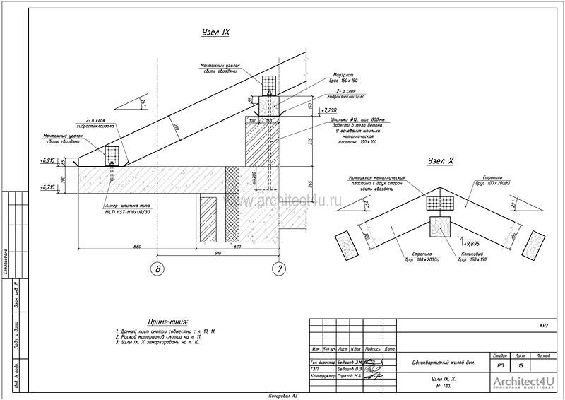
КР2 - Стропильная система крыши
Конструктивные решения крыши
Детальные решения стропильной системы, включая деревянные элементы и несущие конструкции из металла или железобетона, в зависимости от расчётных нагрузок и архитектуры. Чертежи включают планы, узлы соединений, сечения несущих конструктивных элементов и ведомости материалов.
Стоимость разработки полного рабочего проекта (ЭП, АР, КР + Инженерия) формируется на основе характеристик вашего дома и выбранных решений. Рассчитать можно на странице онлайн-калькулятора проекта быстро и удобно.
Как заказать конструктивный проект
Мы открыты к диалогу и готовы помочь с проектированием вашего дома. Вы можете отправить заявку на электронную почту info@architect4u.ru или через мессенджер. Заявку рассмотрит главный конструктор.
После рассмотрения мы подготовим коммерческое предложение, в котором будут:
- состав проекта;
- стоимость и сроки выполнения;
- список необходимых исходных данных для работы.
После рассмотрения мы подготовим коммерческое предложение, в котором будут:
- состав проекта;
- стоимость и сроки выполнения;
- список необходимых исходных данных для работы.
По запросу предоставим пример готового конструктивного проекта в формате PDF.
Проектирование начинается только после:
- согласования коммерческого предложения,
- подписания договора,
- получения первого платежа и всех необходимых исходных данных.
Онлайн расчет стоимости КР
Планируете индивидуальное строительство дома? Узнайте ориентировочную стоимость разработки конструктивного проекта (КР). Просто введите общую поэтажную площадь вашего будущего дома, и калькулятор покажет приблизительный расчёт.
⚠️ Точная стоимость определяется по техническому заданию и может изменяться в течение года (индексация, сезонные факторы). Онлайн-калькулятор отражает ориентировочные значения цен на основании действующего прайса мастерской (01.01.2026 - 01.05.2026).
Площадь дома
Укажите ориентировочную общую площадь
- КР0
фундамент - 46 000 руб.
- Срок изготовления проекта: исходя из ТЗ
- Оплата: 50% - аванс, 50% - по завершении проекта
-
- пояснительная записка
- схема фундамента
- сечения - опалубка и армирование
- планы плиты на нулевой отметке - опалубка и армирование
- узел гидроизоляции фундамента
- спецификация на все материалы
- Заказать
- КР1
надземная часть - 48 000 руб.
- Срок изготовления проекта: исходя из ТЗ
- Оплата: 50% - аванс, 50% - по завершении проекта
-
- пояснительная записка
- планы плит перекрытий - опалубка и армирование
- сечения по плитам перекрытий - опалубка и армирование
- колонны - опалубка и армирование
- ригели, балки - опалубка и армирование
- схемы перемычек
- ведомость перемычек
- планы лестниц - опалубка и армирование
- сечения по лестницам - опалубка и армирование
- спецификация на все материалы
- Заказать
- КР2
кровля - 39 000 руб.
- Срок выполнения работ: исходя из ТЗ
- Оплата: 50% - аванс, 50% - по завершении проекта
-
- пояснительная записка
- схемы несущих элементов кровли
- схемы стропильной системы
- разрезы
- узлы конструктивных решений
- спецификация на все материалы
- Заказать
Чтобы уделять максимум внимания каждому проекту, мы берём не более 3 проектов в месяц.
Работа начинается после обсуждения задачи и оформления договора. Оплата - по договору, удобным для вас способом.










































































































































