Чертеж развертки оборудования помещения котельной из рабочего проекта
На изображении показан чертеж развертки оборудования помещения котельной из рабочего проекта

Проект инженерных решений

Индивидуальное проектирование частных жилых домов

Ни для кого не секрет, что отопление - одна из ключевых систем комфорта и безопасности в частном доме. И котельная играет здесь центральную роль. При этом некоторые домовладельцы недооценивают значение грамотного проектирования котельной, считая, что достаточно просто выбрать котел и установить его.

На самом деле, правильный проект котельной - это инвестиция в удобство, экономию и безопасность на долгие годы. Подробно об этом на этой странице. А здесь можно в деталях посмотреть образец рабочего проекта и оставить заявку на проектирование.

Котельная

Состав проекта

Ниже приводим список, что включает в себя проект котельной.

  • тепломеханическое решение котельной
  • пояснительная записка
  • принципиальная схема решения котельной
  • план оборудования и трубопроводов
  • общие виды
  • изометрические виды
  • решение дымохода
  • спецификация

Пример проекта котельной


обложка
Титульный лист
ведомость чертежей
Ведомость чертежей
Ведомость документов
Ведомость документов
пз
Пояснительная записка
Пояснительная записка
Пояснительная записка
Пояснительная записка
Пояснительная записка
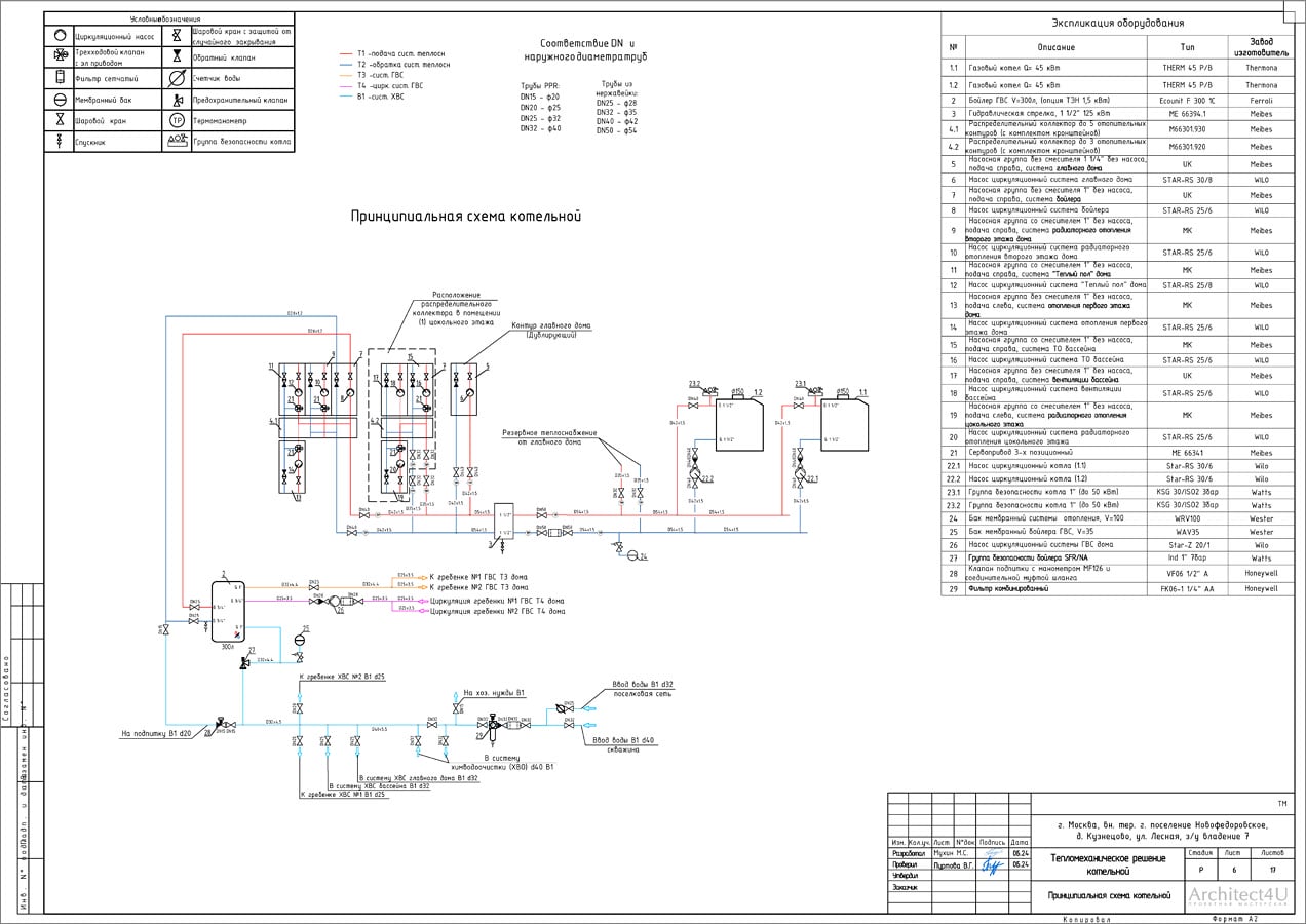
Принципиальная схема котельной
Принципиальная схема котельной
Расстановка оборудования помещения котельной
Расстановка оборудования помещения котельной
План расстановки оборудования в цоколе
План расстановки оборудования в цоколе
Изометрический вид оборудования котельной
Изометрический вид оборудования котельной
Развертки по стенам - вид А и вид Б
Развертки по стенам - вид А и вид Б
Развертки по стенам - виды В, Г, Е
Развертки по стенам - виды В, Г, Е
Схема дымохода
Схема дымохода
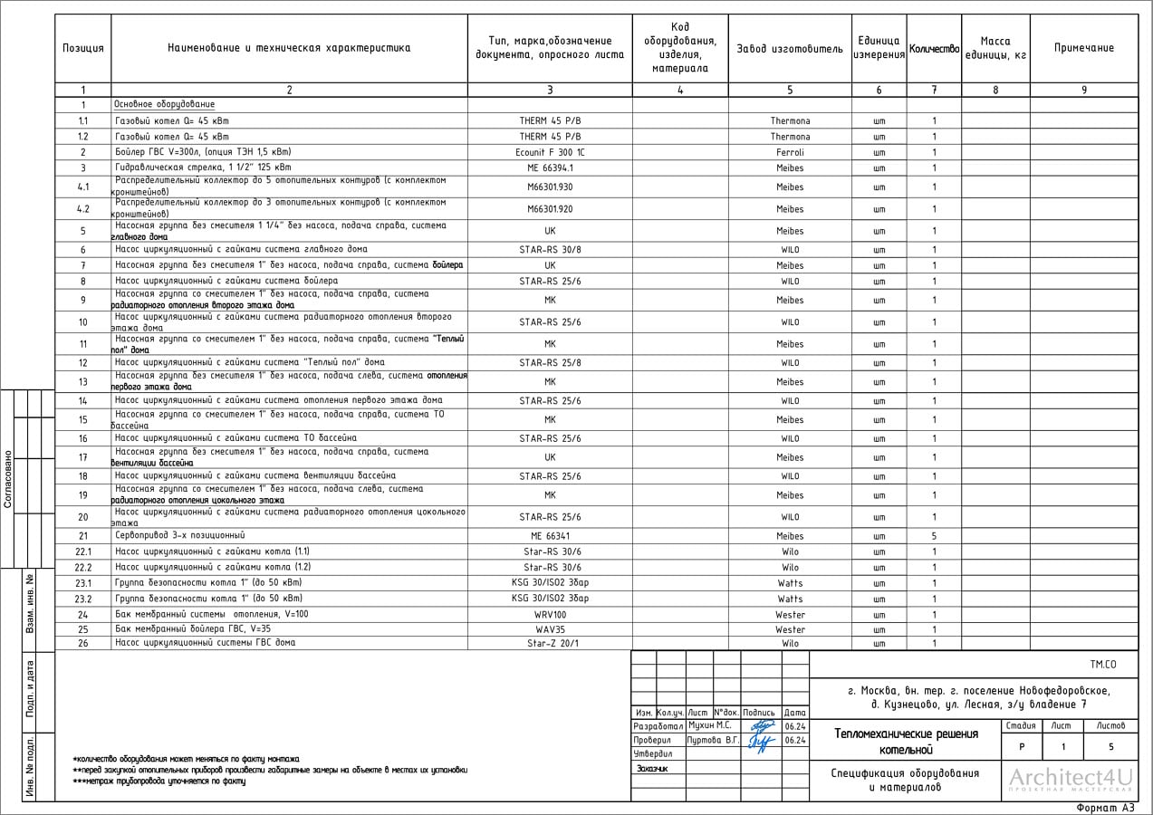
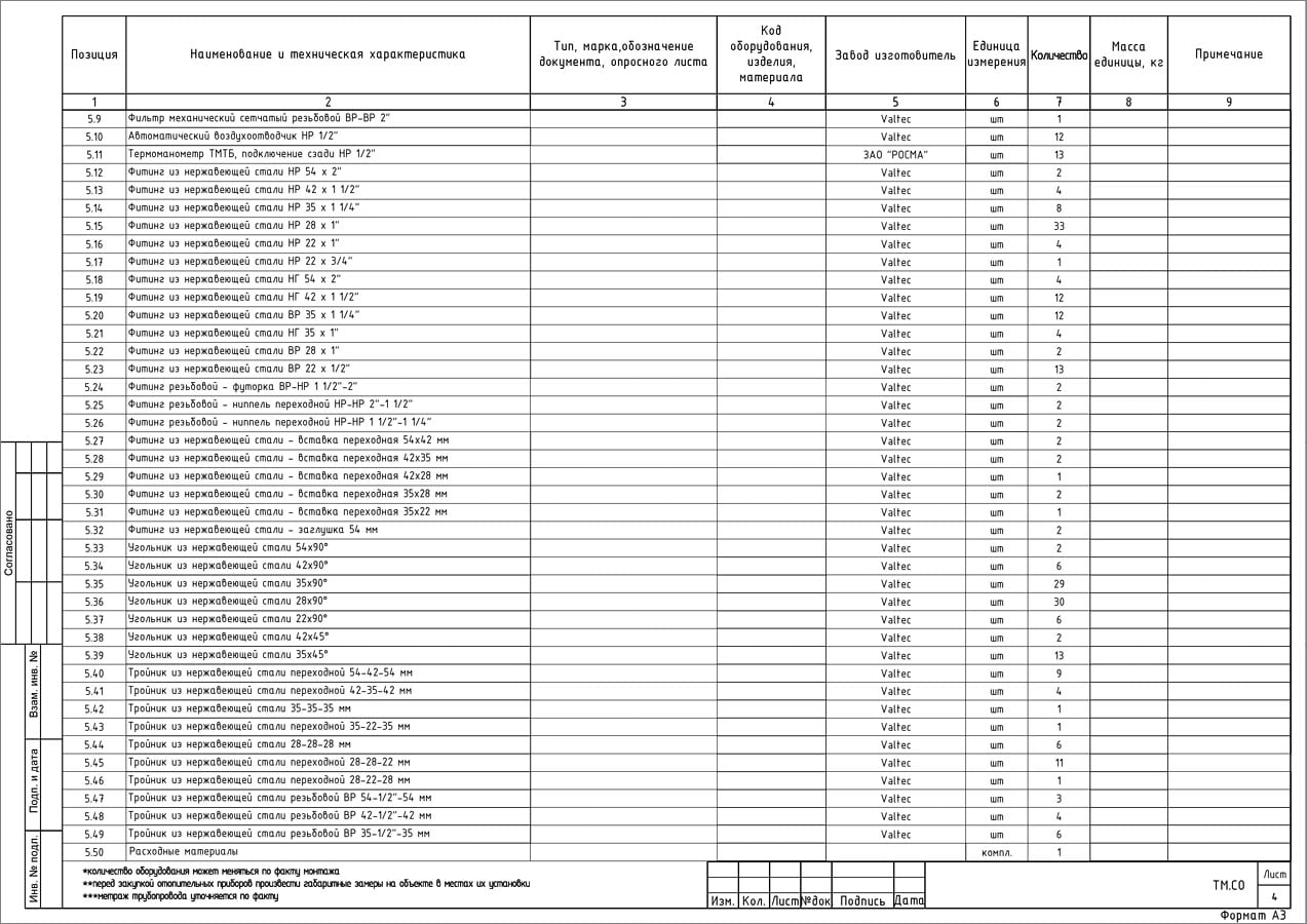
Спецификация оборудования и материалов
Спецификация оборудования и материалов
Спецификация оборудования и материалов
Спецификация оборудования и материалов
Спецификация оборудования и материалов
Спецификация оборудования и материалов
Спецификация оборудования и материалов
Спецификация оборудования и материалов
Спецификация оборудования и материалов
Спецификация оборудования и материалов

Вы ознакомились с составом проекта котельной

Как мы работаем

  • Вы оставляете заявку на проектирование котельной.
  • Мы готовим коммерческое предложение (КП), включающее описание состава проекта, сроки выполнения, цены и порядок оплаты.
  • После согласования КП готовим договор на проектирование.
  • Приступаем к работе после подписания договора и авансирования.
  • Согласование концепции котельной, где показываем план размещения оборудования.
  • Готовый проект, со схемами, чертежами и пояснительной запиской - можно сразу строить или согласовывать с подрядчиком.

Примеры наших других проектов

o
Обсудить проект